產品介紹

丙烷鋼瓶技術參數
介質名稱 | 丙烷鋼瓶 | 丙烷鋼瓶 | 丙烷鋼瓶 |
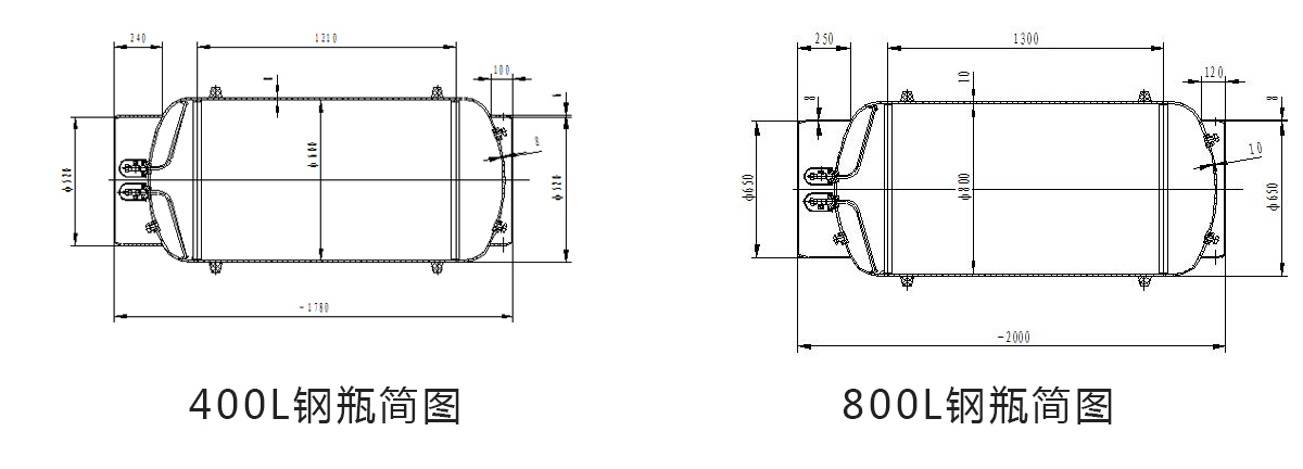
公稱容 L | 400 | 800 | |
公稱工作壓力 MPa | 2.2 | 2.2 | |
水壓試驗壓力 MPa | 3.3 | 3.3 | |
使用環境溫度 ℃ | -40~60 | -40~60 | |
瓶體設計壁厚mm | 4.2 | 5.6 | |
瓶體名義壁厚 mm | 8 | 10 | |
充裝系數 kg/L | 0.41 | 0.41 | |
最大充裝量 kg | 160 | 320 | |
設計使用年限Y | 20 | 20 | |
瓶閥型號 | BWF-1 | BWF-1 | |
瓶閥出口螺紋 | M22×1.5-LH | M22×1.5-LH | |
鋼瓶長度 mm | 1800 | 2000 | |
鋼瓶重量 kg | 250 | 445 |
926L、800L、400L鋼質焊接氣瓶技術參數
鋼瓶型號解釋:HJWⅡ600-400-3.0-T(HJW表示臥式鋼質焊接氣瓶,Ⅱ表示兩道環焊縫,600表示公稱直徑,400表示公稱容積,3.0表示公稱工作壓力,T表示凸底結構型式)
鋼瓶型號 | 公稱容積 | 公稱直徑 | 鋼瓶高度 | 名義壁厚 | 鋼瓶重量 |
HJWⅡ800-926-3.0-T | 926 | 800 | 2255 | 10 | 512 |
HJWⅡ800-800-3.0-T | 800 | 800 | 2000 | 10 | 445 |
HJWⅡ600-400-3.0-T | 400 | 600 | 1780 | 8 | 258 |


































